MESSAGE
If you have any questions, please contact us and we will contact you as soon as possible.
Material: Steel 8.8
Stainless Steel 304 / 201
◉ PRODUCT SPECIFICATION
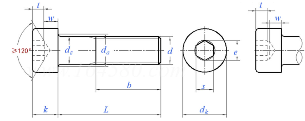
・Hexagon socket head cap screw--DIN/EN/ISO 4762

*This is the measurement result of a single batch of products. A tolerance of ±2 - 3mm is allowed. For the specific dimensions, please refer to the actual measurement of the physical product.
For the following products, 8.8 refers to the hardness grade of the product model. The steel materials include: galvanized (yellow, white, blackened), and Dacromet for anti-corrosion; the stainless steel materials include: 304, 201, etc. For specific products, please feel free to inquire.
◉ PRODUCTION AND WAREHOUSING
◉ MESSAGE
◉ SIMILAR RECOMMENDED

Thank you very much for writing to us. Please leave your message and contact information, we will reply to you within 24 hours.